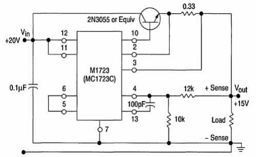
Este circuito es del Linear Interface ICs de Motorola de 1993. El MC1723 es el equivalente del conocido 723. El transistor admite equivalentes.

Regulador de 15 V x 1 A y detección remota 723
Este circuito es del Linear Interface ICs de Motorola de 1993. El MC1723 es el equivalente del conocido 723. El transistor admite equivalentes.
