Este circuito se dispara cuando se excede la tensión establecido en la olla. El tono depende de C3 y los resistores R3 y R4. El circuito funciona con tensiones de 5 a 15 V. Encontramos este circuito en una documentación de 1990.

Monitor de fuente
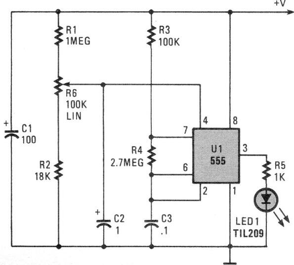
Este circuito se dispara cuando se excede la tensión establecido en la olla. El tono depende de C3 y los resistores R3 y R4. El circuito funciona con tensiones de 5 a 15 V. Encontramos este circuito en una documentación de 1990.
