Encontramos este circuito en el manual de semiconductores de GE de 1977. El aislador óptico usa un opto-SCR y la lámpara debe tener un máximo de 25 W. Solo deben utilizarse lámparas incandescentes.

Indicador lógico con lámpara de 110 V
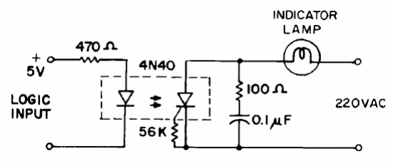
Encontramos este circuito en el manual de semiconductores de GE de 1977. El aislador óptico usa un opto-SCR y la lámpara debe tener un máximo de 25 W. Solo deben utilizarse lámparas incandescentes.
