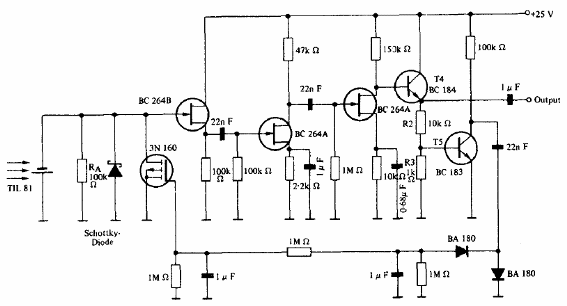
El circuito seleccionado es del manual de optoelectrónica de Texas Instruments. Con él puedes recibir señales ópticas en CW. Los transistores admiten equivalentes.

Receptor para telegrafía óptica
El circuito seleccionado es del manual de optoelectrónica de Texas Instruments. Con él puedes recibir señales ópticas en CW. Los transistores admiten equivalentes.
