Encontramos este circuito en un antiguo manual de optoelectrónica de Texas Instruments. Sin embargo, se pueden utilizar fototransistores equivalentes más modernos, así como el SCR. La alimentación depende de la carga controlada.

Relé de luz con SCR
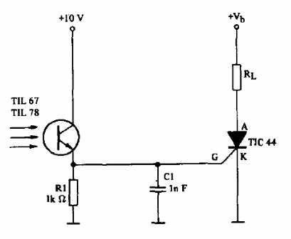
Encontramos este circuito en un antiguo manual de optoelectrónica de Texas Instruments. Sin embargo, se pueden utilizar fototransistores equivalentes más modernos, así como el SCR. La alimentación depende de la carga controlada.
