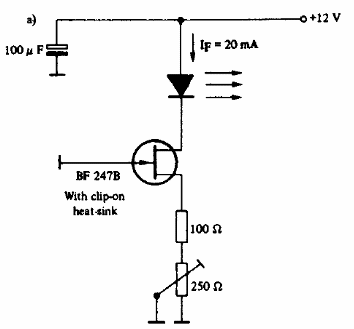
Este circuito es de un manual de optoelectrónica de Texas Instruments de 1978. El potenciómetro ajusta la corriente del LED. Otras corrientes se pueden ajustar siempre que estén dentro de la capacidad del FET.

Alimentación constante de 20 mA para LED



