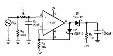
Este circuito es del Linear Technology Applications de 1997. El circuito utiliza componentes comunes en ese momento y la fuente de alimentación debe ser simétrica.

LT1190 Detector rápido de pulso
Este circuito es del Linear Technology Applications de 1997. El circuito utiliza componentes comunes en ese momento y la fuente de alimentación debe ser simétrica.
