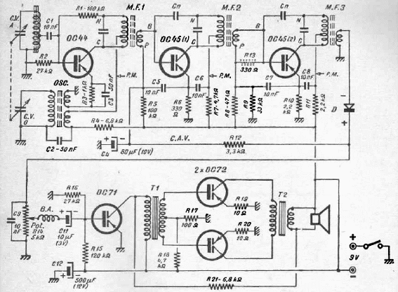
Este circuito de 6 transistores tenía una excelente sensibilidad al usar transistores de germanio. La etapa push-pull utilizó dos transformadores, un drive y un de salida como solemos encontrar en ese momento.

Radio Comercial AM de los 70
Este circuito de 6 transistores tenía una excelente sensibilidad al usar transistores de germanio. La etapa push-pull utilizó dos transformadores, un drive y un de salida como solemos encontrar en ese momento.
