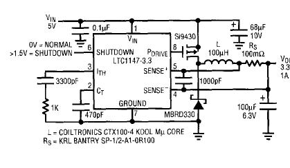
Este circuito se obtuvo en el Linear Technology Applications de 1997. El circuito usa componentes comunes en ese momento, y se pueden usar equivalentes actuales.

Convertidor SMD de 5 V a 3,3 V LTC1147-3.3
Este circuito se obtuvo en el Linear Technology Applications de 1997. El circuito usa componentes comunes en ese momento, y se pueden usar equivalentes actuales.
