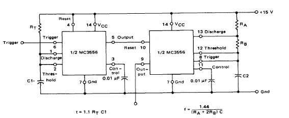
El circuito integrado utilizado en esta configuración es equivalente al 555 común, pero doble. El circuito es del Linear Databook de Motorola y los componentes se calculan de la misma manera que en un 555 común.

Generador de Salva con MC3556
El circuito integrado utilizado en esta configuración es equivalente al 555 común, pero doble. El circuito es del Linear Databook de Motorola y los componentes se calculan de la misma manera que en un 555 común.
