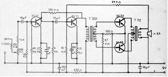
Este circuito es de una antigua publicación italiana, siendo utilizado en tocadiscos con cápsulas de cristal y potencia de 9 V. Los componentes críticos son transformadores que se pueden obtener de radios antiguas o amplificadores viejos que no se utilizan.

Amplificador de 300 mW con transistores de germanio



