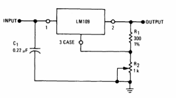
El LM109, que no es muy común hoy en día, fue fabricado por muchas empresas de semiconductores. Este circuito se obtuvo específicamente del Linear Databook de 1990 de Motorola, pero se puede encontrar en otros manuales y hojas de datos.

1 A Fuente ajustable con LM109



