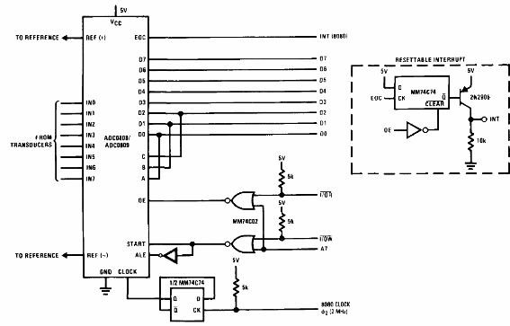
El circuito que se muestra es del Manual de Aplicaciones Lineales de National Semiconductors de 1994. utilizando ADC0808. El circuito puede manejar datos de hasta 4 transductores con una salida de 8 bits.

Convertidor ADC con ADC0808 para transductores



