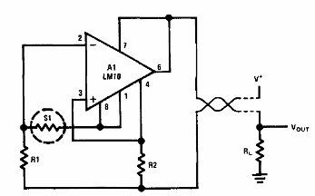
El circuito integrado utilizado en este proyecto es poco común hoy en día, pero la configuración se puede adaptar para utilizar sistemas operativos más modernos. El circuito es del Linear Applications Handbook de National Semiconductor.

Transmisor de par trenzado para transductor resistivo



