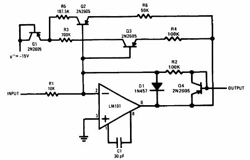
Encontramos este circuito en el Linear Applications Handbook de National Semiconductor de 1994. El circuito se puede implementar con otros operacionales y los transistores pueden ser equivalentes más modernos como el BC558. La fuente debe ser simétrica y la ganancia básica está determinada por R4 y R6.

Amplificador no lineal



