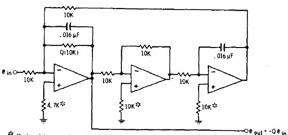
Esta configuración se obtuvo de un manual de filtros de 1975. La alimentación debe realizarse con una fuente simétrica de 6 a 12 V y se pueden utilizar otros amplificadores operacionales. Los capacitores se pueden cambiar para operar en otras frecuencias.

Filtro de paso bajo biquad a 1 kHz con 741



