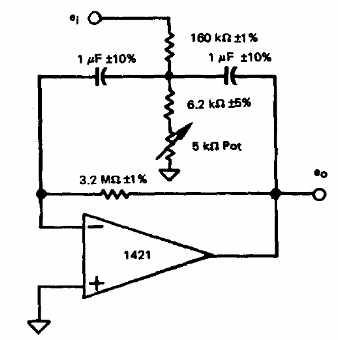
Este circuito se encontró en una documentación de 1972. El circuito se puede diseñar con operacionales más modernos como el 741, que debe ser alimentado por una fuente simétrica. El circuito puede tener los componentes alterados para operar a otras frecuencias.

Filtro de paso de banda de 1 kHz



