Este circuito es de una publicación de Motorola de 1974. El unijuntura puede ser 2N2646 y el bipolar BC558 y BC548. La duración del pulso depende del capacitor.

Monoestable con Unijuntura
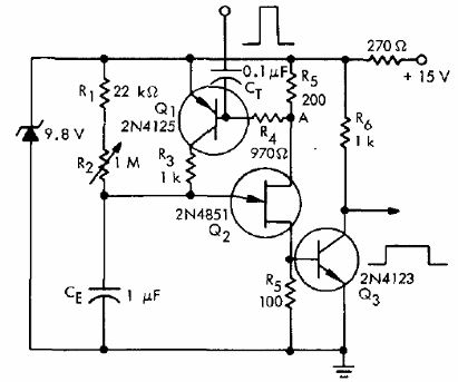
Este circuito es de una publicación de Motorola de 1974. El unijuntura puede ser 2N2646 y el bipolar BC558 y BC548. La duración del pulso depende del capacitor.
