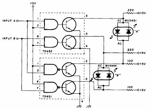
Encontramos este circuito en una publicación estadounidense de 1977. El circuito acciona dos LED según el control de las entradas. La tecnología es TTL que requiere una alimentación de 5 V.

Drive para LED bicolores
Encontramos este circuito en una publicación estadounidense de 1977. El circuito acciona dos LED según el control de las entradas. La tecnología es TTL que requiere una alimentación de 5 V.
