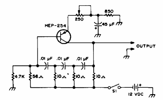
Este circuito es de una publicación antigua de 1977 y se puede implementar con transistores más modernos como el BC558. El circuito también puede tener los capacitores en la red de retroalimentación alterados para generar señales de otras frecuencias.

Oscilador sinusoidal de 800 Hz



