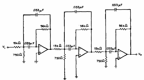
Este circuito tiene una ganancia de 6 y un factor Q de 8,63. Los amplificadores operacionales son comunes, como el 741, y la fuente de alimentación debe ser simétrica. Los componentes se pueden cambiar para operar en otras frecuencias.

Filtro de passo de banda de 750 Hz de sexto orden



