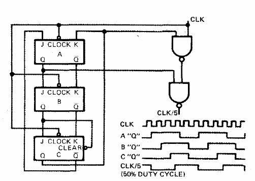
Este circuito utiliza tres flip-flops y dos puertas NAND para obtener una división de frecuencia entre 5, de acuerdo con el diagrama de tiempos que se muestra al lado del esquema. El circuito es de una publicación de 1972 y se puede implementar con tecnología TTL y CMOS.

Divisor digital por 5



