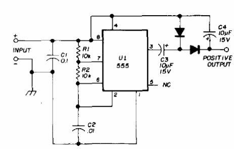
Este convertidor CC / CC conmutado funciona a una frecuencia de 6 kHz y su salida es de solo unas pocas decenas de miliamperes. Los diodos pueden ser 1N4148. La salida es de 20,4 V con 10 mA de corriente de salida y cae a 17,7 V con una corriente de 50 mA. El circuito es de una documentación de 1975.

Convertidor de 12 a 20 V 555



