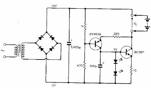
Este cargador es de una publicación antigua de 1975. El transistor PNP puede ser el BC558 y el NPN el BD135 con un pequeño radiador. La corriente de carga es de 200 mA, pero se puede cambiar con la resistencia de 1 ohm. El transformador es de 200 mA x 12 V y los diodos pueden ser 1N4002.

Cargador Nicad



