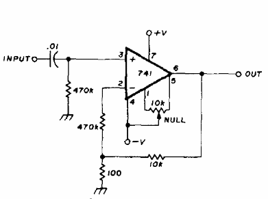
Esta configuración tradicional es de una publicación de 1976, que muestra que nada ha cambiado desde entonces y que el circuito se puede ensamblar fácilmente hoy. El circuito puede ser alimentado por una fuente simétrica de 6 a 12 V.

741 operacional con ganancia 100



