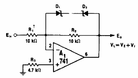
Encontramos este circuito en un viejo libro de cocina americano de 1974. En él se utiliza uno operativo para obtener das tensiones zener, uno directo y otro inverso. La fuente debe ser simétrica y los valores de tensión dependen de Z1 y Z2. Se pueden utilizar otros operacionales.

Zener bipolar con 741



