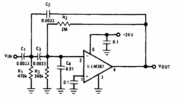
Encontramos esta configuración de filtro de baja frecuencia tradicional para tocadiscos en el manual de audio de National Semiconductor de 1977. El circuito elimina las oscilaciones de baja frecuencia de los tocadiscos debido a variaciones en la velocidad del motor y se puede utilizar para recuperar este medio. pasándolo a otros más modernos.

Filtro de ruido LM387



