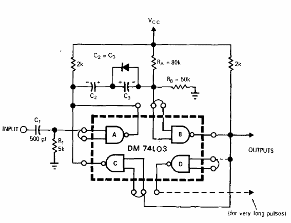
Encontramos este circuito en una antigua documentación americana, de 1971, pero el componente utilizado sigue siendo común. Con él podemos obtener pulsos cortos o largos, dependiendo de los capacitores utilizados. La alimentación debe realizarse con una tensión de 5 V.

TTL monoestable de baja potencia



