Encontramos este oscilador en una documentación inglesa de 1977. El suministro simétrico, de hecho, puede estar entre 6 y 12 V. La frecuencia se puede cambiar, pero el valor máximo no debe exceder los 100 kHz.

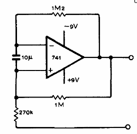
Oscilador de 3.8 kHz con el 741
Encontramos este oscilador en una documentación inglesa de 1977. El suministro simétrico, de hecho, puede estar entre 6 y 12 V. La frecuencia se puede cambiar, pero el valor máximo no debe exceder los 100 kHz.
