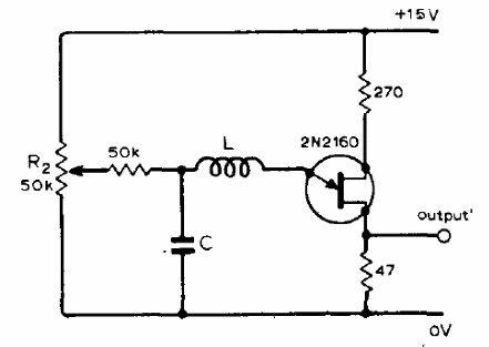
El transistor unijuntura para este circuito, que se encuentra en una publicación de 1976, puede ser 2N2646. El potenciómetro de ajuste puede ser de 47k. La amplitud máxima de la señal de salida es 200 mV. L debe obtenerse experimentalmente, según la frecuencia generada, estando su valor en el rango de 100 mH a 1 H.

Oscilador sinusoidal de 1 a 50 kHz con Unijuntura



