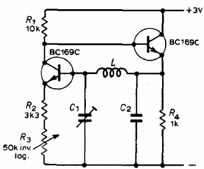
Este circuito, de una documentación de 1973, se puede hacer con transistores BC549. La frecuencia depende de C, C1 y C2. R3 puede ser un potenciómetro de 47k. La señal se toma del emisor del transistor junto a lo resistor R4.

Oscilador de hasta 10 MHz con transistores



