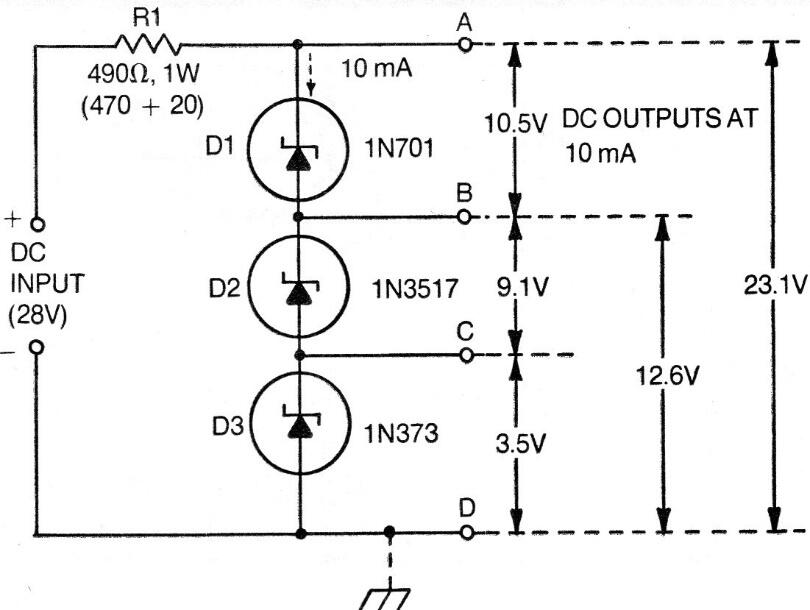
El circuito que se muestra, de una documentación técnica estadounidense de 1976, es un divisor de voltaje que utiliza diodos Zener. El circuito se puede modificar para obtener otras tensiones, usando diodos apropiados. La corriente es baja, como se indica, y la resistencia de entrada puede eventualmente recalcularse para otras aplicaciones de corriente más alta o más baja. Los diodos Zener son de 1 W.




