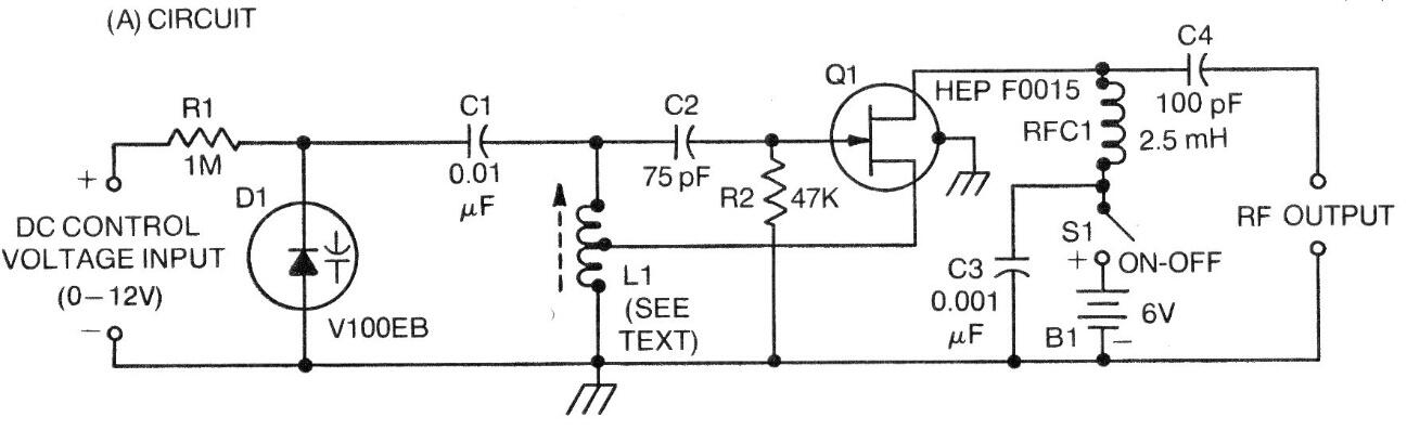
Este circuito lo encontramos en una documentación antigua de los años 70. El circuito puede utilizar cualquier varicap y dependiendo de sus características tenemos el rango de tensiones de control y también de frecuencia. Para la bobina tenemos el rango indicado, pero se puede cambiar según sea necesario. 50 + 50 vueltas de alambre 28 en una varilla de ferrita generan aproximadamente el rango de 600 a 1100 kHz. El FET puede ser el BF245 y la tensión de alimentación puede ser de 6 V a 12 V.




