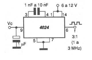
En la figura mostramos un circuito oscilador controlado por tensión basado en el componente CMOS. La frecuencia básica de este circuito depende del condensador y la tensión de alimentación normalmente puede estar entre 6 y 15 V. Tenga en cuenta que valores más bajos de tensión de alimentación implican un rango de frecuencia más pequeño, ya que la tensión de control no debe exceder la tensión de alimentación. La señal producida es rectangular con amplitud igual a la tensión de alimentación y la frecuencia máxima generada no superará unos pocos megahercios. Para los valores de los componentes indicados con un capacitor de 1 nF, el rango de frecuencia con alimentación de 9 V y tensión de control de 0 a 9 V varía de 1 a 3 MHz.




