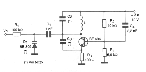
En la figura mostramos un VCO controlado por Varicap capaz de generar señales en el rango de unos pocos megahertz hasta más de 200 MHz. Aunque el control de frecuencia se logra cuando se usa un varicap como el BNB809, incluso un diodo común como el 1N4002 funciona como tal, pero con un rango de rendimiento menor. La bobina, C2 y C3 dependen de la frecuencia central generada según la siguiente tabla:
Rango de frecuencia L1 C2 C3
1 a 4 MHz 40 vueltas 100 pF 220 pF
4 a 10 MHz 12 vueltas 47 pF 100 pF
10 a 50 MHz 8 vueltas 22 pF 27 pF
50 a 100 MHz 6 vueltas 10 pF 10 pF
100 a 150 MHz 3 vueltas 4,7 pF 4,7 pF
La bobina está enrollada con alambre de 28 AWG en forma de 1 cm sin núcleo. Observamos que los valores en la tabla son aproximados y pueden ser necesarios cambios dependiendo de las tolerancias. El transistor también admite equivalentes como 2N2218 y 2N2222 para obtener una potencia ligeramente superior para la señal. Esta señal se puede tomar del colector del transistor o de una segunda bobina enrollada sobre L1. El número de vueltas de esta bobina depende de la impedancia deseada, pero en general estará entre la mitad y un cuarto de las vueltas de L1. Todos los capacitores deben ser de cerámica.




