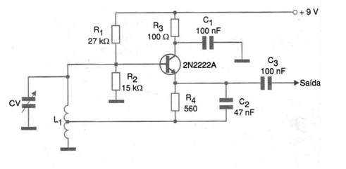
Comenzamos con un circuito de oscilador Hartley simple usando un transistor bipolar que puede generar señales en el rango de 1 MHz a 10 MHz con gran estabilidad. El circuito que se muestra en la figura tiene L1 y CV diseñados para determinar el rango de frecuencia de operación. Para un funcionamiento entre 1 MHz y 3 MHz, L1 puede estar formado por 50 + 15 vueltas de hilo 28 de 0,8 cm de diámetro y 12 cm de varilla de ferrita. Para una mayor estabilidad se debe estabilizar la fuente, los capacitores cerámicos y el transistor se pueden reemplazar por equivalentes. En una aplicación más crítica, el condensador de acoplamiento de salida debe ser de mica plateada.




