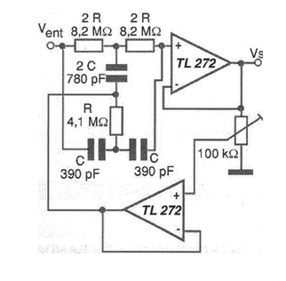
En la figura tenemos una configuración interesante que permite, desde un filtro doble T, cambiar el factor Q a través de una tensión de referencia dada por un segundo amplificador operacional. Texas Instruments sugiere el circuito en sus Aplicaciones de circuitos lineales, utilizando un amplificador operacional con FET en la entrada. Nótese que los componentes de la doble T deben mantener una determinada relación de valores. Para los valores del circuito, la frecuencia que rechaza el filtro es 50 Hz. Por supuesto, estos valores se pueden cambiar para operar en otras frecuencias. Un uso sugerido es modificar los valores de los componentes para sintonizarlos a 60 Hz y con ello el circuito se puede utilizar como un eficiente rechazador de ruido de la red eléctrica. Operacional es el TL272 de Texas Instruments que usa transistores de efecto de campo en la entrada y la fuente de alimentación debe ser simétrica. El ajuste del factor Q se realiza en el trimpot.




