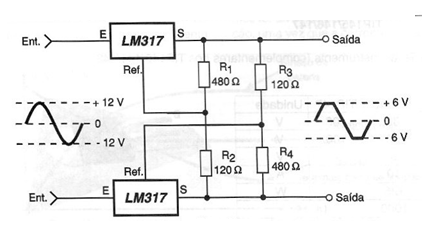
Se pueden utilizar dos reguladores de 3 terminales como el LM317 para "recortar" una señal sinusoidal, con el fin de obtener una regulación, como se muestra en la figura. En este circuito se puede regular una señal sinusoidal con un valor pico de 12 V para que tanto los picos negativos como los positivos no superen los 6 V. El valor de la tensión de salida viene dado por el divisor formado por los resistores de 480 ohms y 120 ohms. Estos componentes se pueden cambiar para obtener otros valores máximos de la tensión de salida. Solo recuerde que el valor pico de la tensión de entrada debe ser al menos 2 V mayor que el pico de la tensión deseada en la salida. Los reguladores pueden funcionar con corrientes de hasta 1,5 A y deben estar equipados con buenos radiadores de calor.




