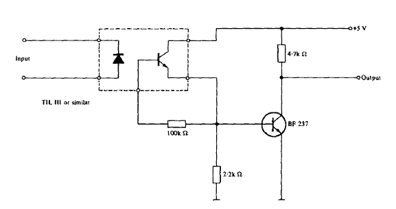
El circuito presentado fue sugerido por una documentación optoelectrónica de Texas Instruments. El transistor puede ser el BC548 y la alimentación de 5 V hace que la salida sea compatible con la lógica TTL.

Amplificador hasta 100 kHz para optoacoplador



