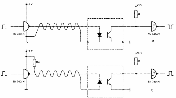
El circuito seleccionado es del manual de optoelectrónica de Texas Instruments. El circuito utiliza par trenzado y acopladores para aislamiento. La potencia es de 5 V ya que la tecnología es TTL. El circuito se puede utilizar como shield con microcontroladores.

Enlace de transmisión con acoplador óptico



