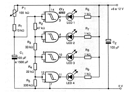
Se puede implementar un gráfico de barras o un indicador de barra móvil con 4 LED conectando los puertos NAND 4093 como comparadores de tensión. El circuito de la figura muestra cómo se puede hacer esto. La red de resistores de R2 a R5 determina el punto de disparo de cada LED, y los valores de estos componentes se pueden cambiar, dependiendo de la aplicación. Los indicadores son LED rojos comunes. El circuito se alimenta con tensiones de 6 a 12 V. Cuando se alimenta el circuito, el capacitor C1 comienza a cargarse lentamente de modo que el voltaje en la entrada del indicador de gráfico de barras aumenta lentamente, los LED se iluminan uno por uno hasta que completa el cronometraje. El ajuste de P1 y el valor de C1 determinan la velocidad con la que se produce la sincronización. Los valores máximos de P1 son alrededor de 100 k ohms y para C1, 1,500uF lo que resulta en un retraso de algunos minutos. Para iniciar un segundo retardo de tiempo, espere unos segundos hasta que se descargue el capacitor C1. El valor de R5 determina la sensibilidad del circuito y debe cambiarse si el aumento no se produce hasta el final de la escala (cuatro LED encendidos).




