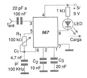
En la figura un circuito que es la aplicación básica de NE567 para la detección de un tono aplicado a su entrada. La sensibilidad de este circuito es de 50 mV. El ajuste de frecuencia se realiza en el potenciómetro. Vea que en este circuito tenemos un transistor PNP que excita una carga que puede ser un relé, una lámpara indicadora o incluso un solenoide. Observamos que el NE567 necesita una cierta cantidad de ciclos de señal para que sea reconocido. Este número dependerá de los valores de los componentes y la intensidad de la señal. En algunos casos puede alcanzar al menos 14 ciclos de la señal de frecuencia que se debe reconocer para que se "bloquee" pasando al nivel bajo. El capacitor C3 no es crítico, fijando la banda de paso del filtro. R1 puede tener valores en el rango de 2 a 20 k ohms, normalmente, usando un potenciómetro de 100 k para ajustar la frecuencia sintonizada. C2 es el capacitor de filtro de paso bajo. Este condensador debe seleccionarse en función de la fuerza de la señal de entrada. De hecho, la velocidad de respuesta del circuito se puede optimizar con la elección adecuada de C2 y C3, para lo cual existen fórmulas empíricas que permiten el cálculo de estos componentes. Estas fórmulas son:
C2 = 130 000 / fo (nF)
C3 = 250 000 / fo (nF)
Donde fo es la frecuencia de operación en hercios y el resultado se obtiene en nanofaradios.
Por ejemplo, para 100 kHz (100 000 Hz), los valores ideales de C2 y C3 serán:
C2 = 130 000/100 000 = 1,3 nF
C3 = 260 000/100 000 = 2,6 nF




