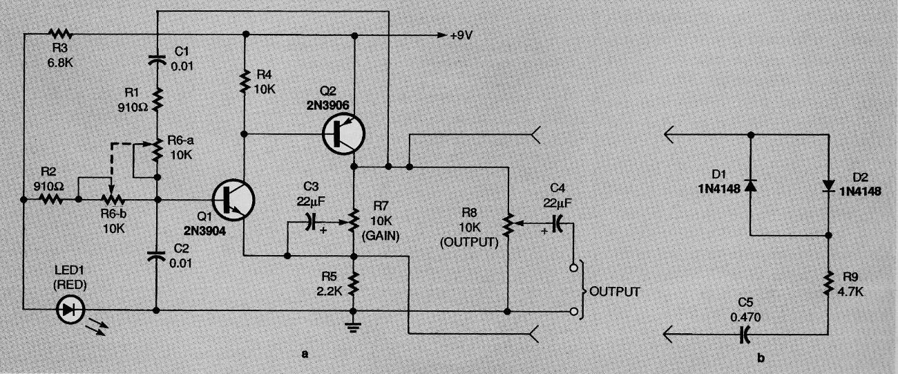
Encontrado en una Hands On Electronics de 1995, este circuito genera una señal sinusoidal cuya frecuencia depende de C1 y C2. Consulte en la sección de matemáticas para electrónica cómo calcular estos componentes, así como R1 y R2 para otros rangos de frecuencia. La alimentación puede estar entre 6 y 12 V. Los transistores pueden ser 2N2222 o BC548. El circuito da otra opción para estabilizar la señal generada.




