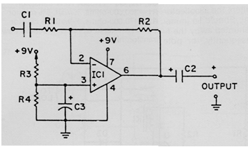
Este amplificador para señales de audio con un 741 y una sola fuente se encontró en un Electronics Handbook de 1990. La ganancia de voltaje es 10, pero se puede modificar cambiando R2. El circuito también funcionará a tensiones de 12 V. Los resistores de 5000 ohms pueden ser de 4,7 k ohms.

Amplificador AC 741




