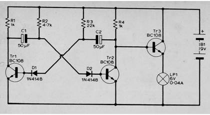
De una publicación antigua de 1974, este multivibrador estable hace que una pequeña lámpara incandescente parpadee a la frecuencia determinada por C1 y C2. Los capacitores pueden tener 47uF u otro valor cercano y la lámpara puede tener más de 50 mA si se reemplaza TR3 por un BD135. Los transistores de la versión original se pueden cambiar por BC548. La potencia puede ser de 6 V a 12 V dependiendo del voltaje de la lámpara utilizada.




