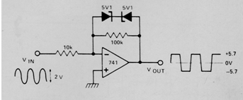
Este circuito, que se encuentra en una publicación de 1980, limita la amplitud de la señal de salida a un valor dado por los diodos Zener. Los diodos se pueden cambiar y no es necesario que sean los mismos. El circuito debe estar alimentado por una fuente simétrica y es válido para otros amplificadores operacionales.

Limitador con 741



