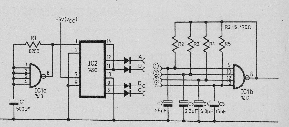
Este circuito fue encontrado en una publicación inglesa de 1976. Genera señales secuenciales en los diodos, que pueden ser del tipo 1N4148 y que son convertidas en tonos por el oscilador con el 7413. El circuito debe ser alimentado por 5 V ya que usa tecnología TTL. La frecuencia de los pulsos depende de C1, que puede ser un capacitor de 470uF.




