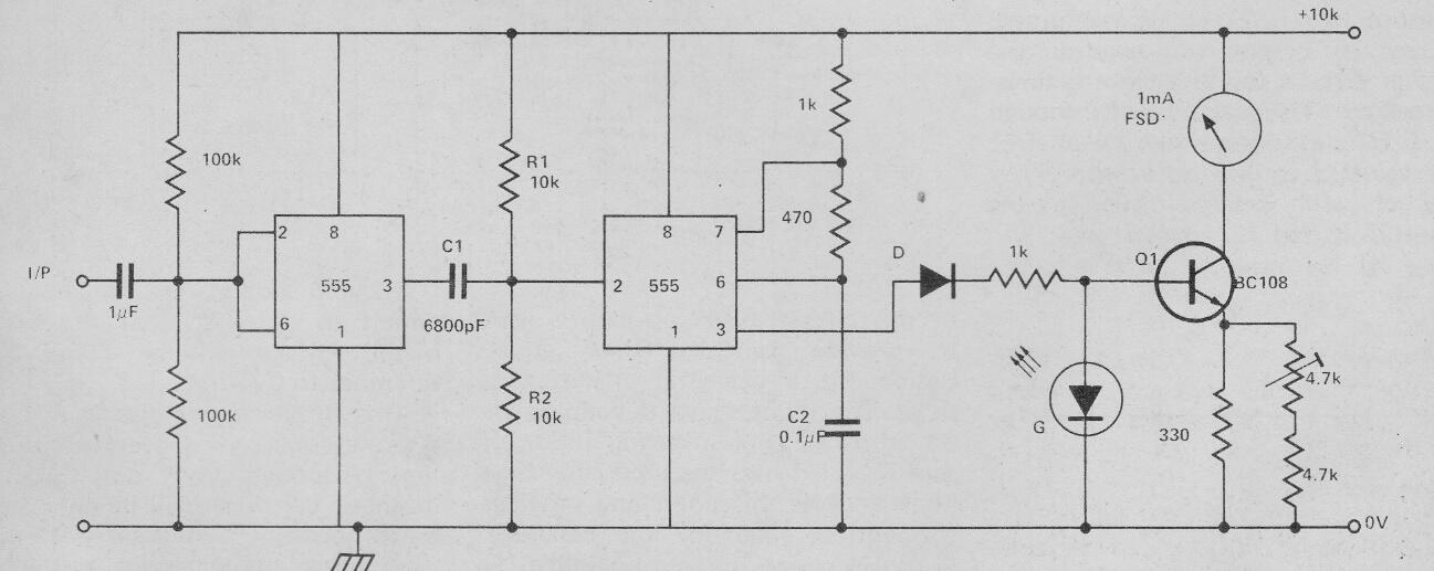
Encontramos este sencillo medidor de frecuencia para bajas frecuencias en una publicación inglesa de 1978. El circuito se puede ensamblar con BC548 en lugar de BC108. La escala completa con los componentes utilizados es de 1 kHz y la tensión de alimentación normalmente puede estar entre 6 y 9 V. Los componentes se pueden cambiar a otros rangos de frecuencia.




