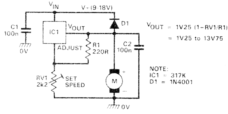
Este circuito, obtenido de una publicación de 1989, puede controlar motores de hasta 1,5 A. Con el LM350 esta corriente alcanza los 3 A. El circuito integrado debe estar equipado con un radiador de calor. La tensión de entrada depende del motor y puede estar entre 9 y 18 V. El diodo puede ser 1N4002 o 1N4004. El control es de tipo lineal.




