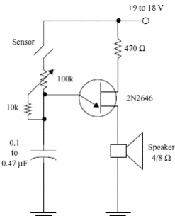
Este circuito simple emite un sonido cuando el sensor está cerrado. Se pueden conectar varios sensores en serie. La frecuencia del sonido emitido se ajusta en el potenciómetro y también depende del valor del capacitor utilizado. El circuito tiene un consumo muy bajo en la condición de espera y puede ser alimentado por batería. El circuito es de un libro de Newton C. Braga.




